选配水冷设计,可应用于高温要求极高的场合。
产品特性
◆ 先进的小光斑设计方案,线条精细。
◆ 精确的光路设计与加工,加工能量衰减弱。
◆ XY轴扫描速度小于等于7000mm/s,延迟为0,满足高速打标要求。
◆ 标刻幅面最大可达400×400mm。
◆ Z轴焦距范围可变,可进行深度雕刻,适用于深雕、内雕、切割、模型汇入等3D应用。
◆ 3D深度打标加工时自动调整Z轴范围,保持光斑最小化,保证物体打标后图形的效果一致性。
◆ 速度快,低漂移,高定位精度和运行可靠稳定等特点,匹配1064nm波长。
◆ 应用于光学扫描、激光标记、深雕、切割、金属应用等行业领域。
规格参数
| 振镜规格参数 | |
| 型号 | FB-P10(水冷) |
| 通光孔径 | 10mm |
| 输入光斑 | 7mm |
| 聚焦模式 | 后聚焦 |
| 场镜 | 100*100mm(可根据要求选择) |
| XY轴速度 | ≤7000mm/s |
| 动态Z轴速度 | ≤3000mm/s |
| 重复标刻精度 | 5urad |
| 适应激光器功率 | ≤200W |
| 通用协议 | XY2-100协议 |
| 工作偏转角 | ±10 |
| 最大增益漂移 | 50 |
| 环境温度 | 25±10℃ |
| 重量 | 3.16KG |
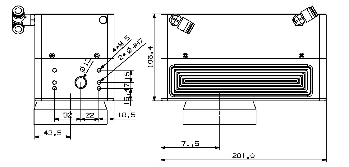
| 尺寸 | 201*106.4*96.5mm |
尺寸图
