适用于纸张、皮革、布料、有机玻璃、环氧树脂、毛料制品、塑料、陶瓷、水晶、玉石、竹木制品。
产品特性
◆ 先进的小光斑设计方案,线条精细。
◆ 精确的光路设计与加工,大幅面和曲面加工能量衰减小。
◆ XY轴扫描速度小于600mm/s,延迟为0,满足高速打标要求。
◆ 标刻幅面最大可达1650mm,满足大幅面雕刻的使用要求。
◆ Z轴最大标刻高度达到2290mm,满足客户大幅度落差的要求。
◆ 改变焦点的位置,可进行深度雕刻,适用于浮雕大幅面等3D应用。
◆ 当进行3D深度打标加工时自动调整Z轴范围,保持光斑最小化,保证物体打标后图形的效果一致性。
◆ 低漂移、大幅面、高定位精度和运行可靠稳定等特点,匹配10640nm波长。
◆ 应用于光学扫描、激光标记、物品包装等行业领域。
规格参数
| 振镜规格参数 | ||||||
| 型号 | CO2-PR30 | |||||
| 通光孔径 | 30mm | |||||
| 输入光斑 | ≤7.5mm | |||||
| 聚焦模式 | 前聚焦 | |||||
| 工作范围 | 300mm-1700mm(可调) | |||||
| XY轴速度 | ≤600mm/s | |||||
| 动态Z轴速度 | ≤1500mm/s | |||||
| 工作幅面 | 300*300mm | 600*600mm | 700*700mm | 900*900mm | 1100*1100mm | 1700*1700mm |
| 焦距 | 385mm | 810mm | 1060mm | 1410mm | 1800mm | 2290mm |
| 线宽 | 0.36mm | 0.45mm | 0.49mm | 0.54mm | 0.62mm | 0.85mm |
| 重复标刻精度 | 8urad | |||||
| 最大增益漂移 | 50ppm/k | |||||
| 保护片 | 硒化锌 | |||||
| 通用协议 | XY2-100协议 | |||||
| 工作偏转角 | ±10 | |||||
| 环境温度 | 0-50℃ | |||||
| 重量 | 7.82KG | |||||
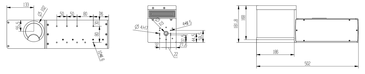
| 尺寸 | 502*181.8*140mm | |||||
尺寸图
